Hemen bizi arayın yardımcı olalım
+90 552 671 32 12
WHEEL LOADER VOLVO L120D
BASIC MACHINE
PROD NO 33351, L120D S/N 14001- 15418
PROD NO 33351, L120D USA S/N 63001- 63291
PROD NO 33351, L120D BRAZIL S/N 70501- 70615
PROD NO 33361, L120D IRAN S/N 52000 -
CAB
PROD NO 33264 Care Cab II
PROD NO 33281 SPARE PART CAB
PROD NO 33279 SEMI OPEN CAB
PROD NO 33370 CAB IRAN
TRANSMISSION
PROD NO 22525, HT205
PROD NO 22525, HT205 IRAN
DRIVING AXLE
PROD NO 23890, AWB 31, front
PROD NO 23891, AWB 30, rear
LOADING UNIT
PROD NO 33352
PROD NO 33354, Long Boom, oval stay bar 80158
ENGINE
Part No 8188126, Typ TD73 KDE. Low exhaust emission version.
Part No 8188127, Typ TD73 KDE, 93961
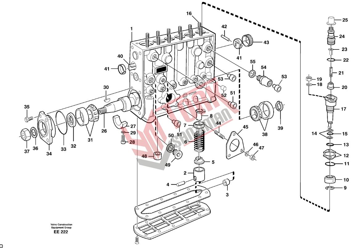
| SEÇ/NO | PARÇA KOD | PARÇA ADI | PARÇA SAYISI |
|---|---|---|---|
| |
Injection Pump | 1 | |
| 1 | |
•fwd & rev | 1 |
| 3094339 |
•Tappet | 6 | |
| 2 | |
••Tappet | 6 |
| 3 | |
••Roller | 6 |
| 4 | 240779 |
••Shaft | 6 |
| 5 | 862408 |
•Disc spring | 6 |
| 6 | 1699465 |
•Compression spring | 6 |
| 7 | 239984 |
•Spring disc | 6 |
| 8 | 862406 |
•Spring sleeve | 6 |
| 9 | 1699457 |
•Stop ring | 6 |
| 10 | |
•Cap | 6 |
| 11 | 862402 |
•O-ring | 6 |
| 12 | 844990 |
•Shim | REQ |
| 847428 |
•Shim | REQ | |
| 844991 |
•Shim | REQ | |
| 844992 |
•Shim | REQ | |
| 844993 |
•Shim | REQ | |
| 844994 |
•Shim | REQ | |
| 844995 |
•Shim | REQ | |
| 244635 |
•Shim | REQ | |
| 244381 |
•Shim | REQ | |
| 244382 |
•Shim | REQ | |
| 244383 |
•Shim | REQ | |
| 244384 |
•Shim | REQ | |
| 244385 |
•Shim | REQ | |
| 244386 |
•Shim | REQ | |
| 13 | 11996307 |
•O-ring | 6 |
| 14 | 3094382 |
•Back-up ring | 12 |
| 15 | |
•O-ring | 6 |
| 16 | 1699459 |
•Stud | 12 |
| 17 | 11703512 |
•Pump element | 6 |
| 18 | |
•Washer | 12 |
| 19 | 1699460 |
•Nut | 12 |
| 20 | 11704266 |
•Delivery valve | 6 |
| 21 | 1699454 |
•Compression spring | 6 |
| 22 | 862400 |
•O-ring | 6 |
| 23 | 1699453 |
•Peg | 6 |
| 24 | 11704700 |
•Delivery valve retainer | 6 |
| 25 | |
•Protecting casing | 6 |
| 26 | 11996308 |
•Camshaft | 1 |
| 27 | 862417 |
•Bearing | 1 |
| 28 | 1699470 |
•Screw | 2 |
| 29 | 1699471 |
•Sealing ring | 2 |
| 30 | 7035168 |
•Key | 1 |
| 31 | 1699472 |
•Roller bearing | 1 |
| 32 | 1699474 |
•Sealing ring | 1 |
| 33 | 862423 |
•O-ring | 1 |
| 34 | 1699473 |
•Cover | 1 |
| 35 | 862415 |
•Screw | 4 |
| 36 | 1699475 |
•Spring washer | 1 |
| 37 | 1699476 |
•Nut | 1 |
| 38 | 863833 |
•Roller bearing | 1 |
| 39 | |
•Snap ring | 1 |
| 40 | 11705057 |
•Control rod | 1 |
| 41 | 240014 |
•Guide sleeve | 2 |
| 42 | |
•Pin | 1 |
| 43 | 244699 |
•Ring | 1 |
| 44 | 130673 |
•Stud | 3 |
| 45 | 863370 (6232208) |
•Gasket | 1 |
| 46 | 13949607 |
•Washer | 3 |
| 47 | 940197 |
•Hexagon nut | 3 |
| 48 | 1697956 |
•Cap | 6 |
| 49 | 7243263 |
•Plug | 1 |
| 50 | 949329 |
•Gasket | 1 |
| 51 | |
•Protecting casing | REQ |
| 52 | 11998400 |
•Cap | 6 |
| 53 | |
•Protecting casing | REQ |
| 54 | 11996309 |
•Overflow valve | 1 |
| 55 | 13947621 |
•Plane gasket | 1 |
| 11998401 |
Repair kit | 1 |